Zvárací 6osí robotický automat
- [7.11. 2025]Zmazať/ Upraviť/ Topovať






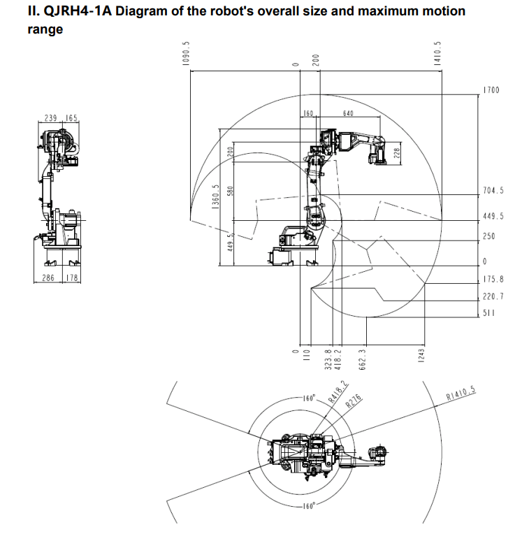
Predám zvárací robot QJAR, dosah 6 osého ramena 1,41m, nosnosť 4kg. Osadený je originál 350A MIG zváračkou. Naviac automatická čistička trysky. Programovanie na dotykovom paneli, veľmi zachoval stroj, využívaný krátko. Poskytnem základné zaškolenie a pomoc pri zapojení.
|
| |||||||||||||||||||||||||||||||
Kontaktovať inzerenta e-mailom
Kontaktovať e-mailom môže iba overený užívateľ.
Overenie je zadarmo.
Vaše telefónne číslo *
Kontaktovať e-mailom môže iba overený užívateľ.
Overenie je zadarmo.
Vaše telefónne číslo *