Kúpim traktor
- [13.1. 2026]Zmazať/ Upraviť/ Topovať




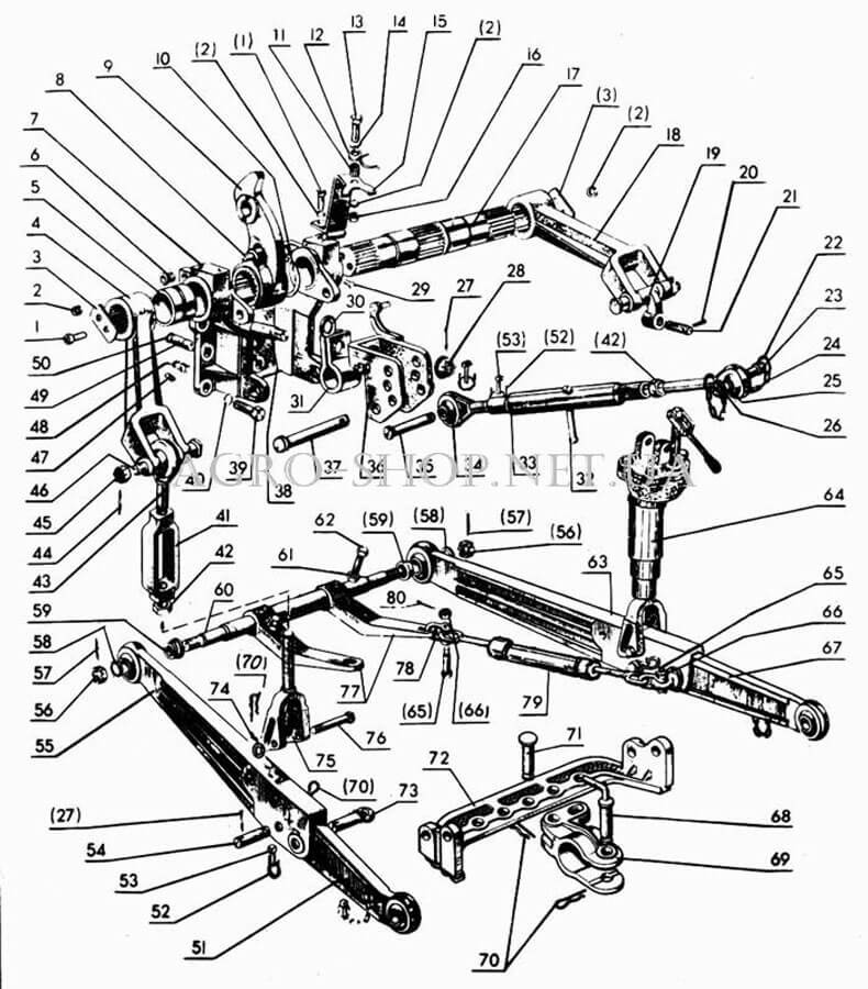
kúpim traktor Belarus MTZ 80 príp MTZ 82 aj v horšom stave, aj nekompletný vrak, prípadne len diely hydrauliky ako na priloženom obrázku.... ponúknite
|
| |||||||||||||||||||||||||||||||
Kontaktovať inzerenta e-mailom
Kontaktovať e-mailom môže iba overený užívateľ.
Overenie je zadarmo.
Vaše telefónne číslo *
Kontaktovať e-mailom môže iba overený užívateľ.
Overenie je zadarmo.
Vaše telefónne číslo *